Derzeit 8 Programm-Einträge vorhanden.
Apple LocalTalk BridgeDie LocalTalk-Bridge von Apple verbindet auf einem System-7-Mac die zwei Netzwerksegmente Ethernet/EtherTalk und LocalTalk, d.h. es wird eine Brücke zwischen beiden gebildet. So kann man bspw. ältere Macs mit LocalTalk und neuere mit Ethernet miteinander verbinden, ohne sich eine Hardware-LocalTalk-Ethernet-Bridge kaufen zu müssen.
Die Software läuft ab System 7, und auch ohne zu Murren im Hintergrund, d.h. der Mac kann noch für anderes benutzt werden. Bei starkem Netzwerkverkehr wird es aber bei älteren Geräten hakelig.
Die Apple LocalTalk-Bridge kann nur in Netzen zum Einsatz kommen, in denen nicht bereits ein AppleTalk Internet Router, eine andere LocalTalk-Bridge oder eine LaserWriter-Bridge zum Einsatz kommen.
Lizenz: Freeware, Veröffentlichung: , Sprache: Englisch, hinzugefügt: 2009-01-07
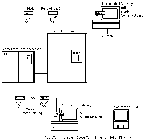
Apple SNA•psApple SNA•ps 3270 oder 5250 dient als Schnittstelle zu IBM OS/370 oder /390, IBM z Systems (»3270«) sowie AS/400 bzw. IBM i (»5250«). So kann man mit Macs auf Großrechner-/Mainframe-Dienste zugreifen: ein Macintosh II dient als Gateway zwischen Mainframes und Mac-Netzwerken auf AppleTalk-Basis (LocalTalk, Ethernet/EtherTalk, Token Ring/TokenTalk, FDDI).
Die Software ist leider schwer aufzutreiben, einen Download dürfen wir nicht anbieten, die Software wurde nie von Apple freigegeben. Wem das Gegenstück, die IBM Mainframe, fehlt, der kann mit Hercules ein OS/370 oder /390-System emulieren, als OpenSource-System ganz legal - zum herumspielen ideal, aber nicht geeignet um SNA•ps anzuknoten, da der Emulator die notwendigen Netzwerkschichten nicht anbietet.
Screenshot aus PoCs laufendem System - ein Mac IIfx angebunden an eine AS/400 mit V4R5, mittels Konfiguration von Apple SNA•ps 5250 (Anleitung).
SNA•ps besteht aus vier Komponenten:
Man kann so auch Konfigurationen einrichten, womit man mit Netzwerkkarten-losen Macs, etwa auch Würfelmacs oder PowerBooks, Zugang zu SNA-Umgebungen anbieten kann, via eines passend konfigurierten Mac II mit SNA•ps Gateway. Die Netzverbindung zum 3270-System kann dabei via SDLC, Token Ring oder Coax/Twinax erfolgen. Der Mac II vermittelt dann zwischen diesem Netz und einem LocalTalk-Netz.
Unterstützt werden die Apple TokenTalk NB Card (NuBus), Apple Coax/Twinax Card und die Apple Serial NB Card, etwa für einen DFÜ-Zugang via Modem oder Nullmodem. Die TokenTalk-Karte muss dabei für einen sinnvollen Betrieb am besten 1 MB RAM oder mehr haben, siehe auch die Fußnoten.
Typische Konfigurationen sehen dann etwa wie folgt aus:



Handbuch-Präambel:
»This guide tells you how to install and use the SNA•ps Gateway applications, which allow Apple Macintosh II modular computers to function as Systems Network Architecture (SNA) gateways. The gateways provide services that permit Macintosh users to communicate with mainframe computers. The SNA•ps Gateway applications let you configure and manage gateways for two types of SNA environments: 3270 and Advanced Program-to-Program Communication (APPC). You can use the SNA•ps Gateway applications with networks that use 3270 only, APPC only, or both 3270 and APPC.«
Auch schön deutlich ist:
»If you plan to configure a gateway for a 3270 environment, you need a basic understanding of SNA concepts. If you plan to configure a gateway for an environment using both 3270 and APPC, you must have a deeper understanding of SNA.«
Lizenz: Freeware, Veröffentlichung: 1992, Sprache: Englisch, hinzugefügt: 2013-03-23
AppleShare File Server 2.0Die AppleShare File Server Software 2.0 war der erste wirklich brauchbare AFP-Dateiserver von Apple. Der Fileserver, der ausschließlich dediziert läuft, bietet eine komfortable Benutzerverwaltung und läuft stabil.
Auch Apple IIgs-Nutzer werden unterstützt, sie können ihre Arbeitsstation vom AFP-Server durchs Netz booten. Technisch wird AFP Version 1.1 und 2.0 geboten, AFPoverDDP (keine TCP/IP-Unterstützung), CopyFile ist serverseitig implementiert.
Für eine Einordnung der Serverfähigkeiten sowie neuere Alternativen siehe die AFP-Server-Vergleichstabelle.
Lauffähig ab Macintosh 512k/800 (512ke), Mac Plus, Mac SE, Mac II. System 6 erforderlich, läuft nicht auf System 7.
Lizenz: Löhnware, Veröffentlichung: 1988, Sprache: Deutsch, hinzugefügt: 2009-01-10
AppleShare Print Server 2.0Die AppleShare Print Server Software 2.0 bot einen Drucker-Spooler (Printqueue) für System 6. Es kann neben AppleShare File Server 2.0 installiert werden.
Clients können so ihre Druckaufträge schnell an den Server loswerden und weiterarbeiten: Hintergrunddruck am persönlichen Arbeitsrechner gab es in der Regel noch nicht. Der Druckspooler hat die Druckdaten dann zu den Druckern geschickt.
Unterstützt werden bis zu 5 Apple LaserWriter und/oder ImageWriter.
Lauffähig ab Macintosh 512k/800 (512ke), Mac Plus, Mac SE, Mac II. System 6 erforderlich, läuft nicht auf System 7. Wird die Software parallel zum File-Server installiert, so ist mindestens ein Mac Plus erforderlich.
Lizenz: Löhnware, Veröffentlichung: 1988, Sprache: Deutsch, hinzugefügt: 2009-01-10
BroadcastBroadcast ist eine winzige Systemerweiterung, die sich in die Auswahl im Apple-Menü hängt. Damit kann man über AppleTalk-Netze (LocalTalk, Ethernet/EtherTalk etc.) anderen Broadcast-Nutzern eine kleine Textnachricht senden - quasi Instant Messaging über AppleTalk.
Läuft ab System 6 und 1 MB RAM.
Lizenz: Freeware, Veröffentlichung: 1992-02-22, Sprache: Englisch, hinzugefügt: 2009-01-07
MacNFSdMacNFSd ist ein Datei-Server über das NFS-Protokoll v2. Das Programm exportiert eine oder mehrere Mac-Partitionen für NFS-Clients, wahlweise nur lesend oder lesend/schreibend. Der NFS-Server kann nur NFS Version 2 und keine Resource-Forks transportieren, sondern nur den Data-Fork.
Mac OS X 10.5 als Client: Zum mounten eines per MacNFSd angebotenen Laufwerks unter Mac OS X muss man zum Terminal greifen und eine Option zum Rückgriff auf Version 2 angeben:
Syntax: mount -o vers=2 -t nfs IPA-des-Servers:/Exportname Einhängepunkt
Beispiel: mount -o vers=2 -t nfs 10.74.10.3:/Datenplatte /Volumes/test
Läuft ab System 7, 68k oder PowerPC, MacTCP oder OpenTransport.
Lizenz: Open Source, Veröffentlichung: 1997-09-06, Sprache: Englisch, hinzugefügt: 2009-01-06
NetPresenzNetPresenz 4.1 ist ein FTP-, WWW- und Gopher-Server von Peter N. Lewis. Er bietet eine komfortable Einstellung von Zugriffsrechten und ist für kleine Netzwerke vollkommen ausreichend.
Läuft ab System 7, 68k oder PowerPC, MacTCP oder OpenTransport.
Lizenz: Shareware, Veröffentlichung: 1999-01-21, Sprache: Englisch, hinzugefügt: 2016-03-19
Who's thereDie winzige Systemerweiterung »Who’s there« hängt sich in die Auswahl im Apple-Menü. Klickt man darauf, sieht man pro erkannter Maschine in AppleTalk-Netzen (LocalTalk, Ethernet/EtherTalk etc.) einen Eintrag und sieht damit, wer alles gerade angemeldet bzw. eingeschaltet ist, sowie was für eine Art Gerät es ist (Workstation, Drucker etc.). Sehr praktisch in kleinen und großen Netzen.
Läuft ab System 6 und 1 MB RAM.
Lizenz: Freeware, Veröffentlichung: 1991-01-11, Sprache: Englisch, hinzugefügt: 2009-01-07